当前位置: 首页> 轴承型号查询> IKO CF10-1BR轴承

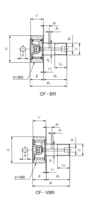
IKO CF10-1BR轴承参数/图纸/资料

CF10-1BRIKO轴承现货供应,库存丰富。滚轮轴承CF10-1BR内径10mm,外径26mm,厚度12mm,属于原装进口IKO轴承凸轮从动轴承系列。欢迎来电咨询CF10-1BR轴承基本参数,技术规格、相关型号等信息。同时我们提供轴承润滑脂,密封件,安装保养工具等售前售后服务!

CF10-1BR轴承用途:铁路货车、推土机、标准电动机、皮带传动、回转破碎机、铁路客车、机床、洗涤机械、轿车驱动系统、标准电动机、陶瓷球、精纺机/ 锭子等领域。

CF10-1BR轴承基本参数/技术规格

品牌
IKO
型号
CF10-1BR
类型
滚轮轴承
系列
凸轮从动轴承
d
10mm
内径
D
26mm
外径
d
12mm
厚度
Cr
5.430KN
基本额定动载荷, 径向
Cor
6.890KN
基本额定静载荷,径向
Cur
-
疲劳极限载荷, 径向
nϑr
r/min
参考转速
nG
r/min
极限转速
≈m
0.060kg
重量
友情链接:
COPYRIGHT © 2021 INA-BEARING.CN
公司地址:无锡市无锡市崇安区兴源北路818号 公司电话:0510-82325353