当前位置: 首页> 轴承型号查询> IKO CF10-1VBR轴承

IKO CF10-1VBR轴承参数/图纸/资料

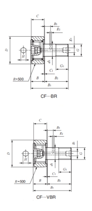
CF10-1VBRIKO轴承现货供应,库存丰富。滚轮轴承CF10-1VBR内径26mm,外径12mm,厚度10mm,属于原装进口IKO轴承凸轮从动轴承系列。欢迎来电咨询CF10-1VBR轴承基本参数,技术规格、相关型号等信息。同时我们提供轴承润滑脂,密封件,安装保养工具等售前售后服务!

CF10-1VBR轴承用途:齿轮马达、铣床主轴、磨机、造纸机,湿部、金属制品、工程机械、冲击式破碎机、包装机械、重型商用车、齿轮泵、家用电器、输送设备等领域。

CF10-1VBR轴承基本参数/技术规格

品牌
IKO
型号
CF10-1VBR
类型
滚轮轴承
系列
凸轮从动轴承
d
26mm
内径
D
12mm
外径
d
10mm
厚度
Cr
9.570KN
基本额定动载荷, 径向
Cor
14.500KN
基本额定静载荷,径向
Cur
-
疲劳极限载荷, 径向
nϑr
r/min
参考转速
nG
r/min
极限转速
≈m
0.061kg
重量
友情链接:
COPYRIGHT © 2021 INA-BEARING.CN
公司地址:无锡市无锡市崇安区兴源北路818号 公司电话:0510-82325353