当前位置: 首页> 轴承型号查询> IKO CF10BR轴承

IKO CF10BR轴承参数/图纸/资料

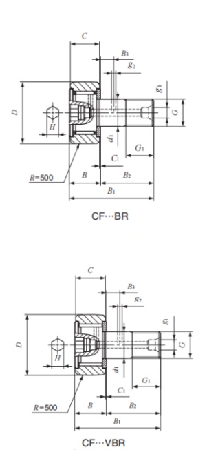
CF10BRIKO轴承现货供应,库存丰富。滚轮轴承CF10BR内径10mm,外径22mm,厚度12mm,属于原装进口IKO轴承系列。欢迎来电咨询CF10BR轴承基本参数,技术规格、相关型号等信息。同时我们提供轴承润滑脂,密封件,安装保养工具等售前售后服务!

CF10BR轴承用途:金属制品、透平机械、精纺机/ 锭子、斗轮挖掘机/ 斗轮驱动、标准电动机、机床齿轮箱、艇用推进器系统、泵和压缩机、工业传动、半导体类、斗轮挖掘机/ 斗轮驱动、塑料加工等领域。

CF10BR轴承基本参数/技术规格

品牌
IKO
型号
CF10BR
类型
滚轮轴承
系列
d
10mm
内径
D
22mm
外径
d
12mm
厚度
Cr
5430KN
基本额定动载荷, 径向
Cor
6890KN
基本额定静载荷,径向
Cur
-
疲劳极限载荷, 径向
nϑr
r/min
参考转速
nG
r/min
极限转速
≈m
45kg
重量
友情链接:
COPYRIGHT © 2021 INA-BEARING.CN
公司地址:无锡市无锡市崇安区兴源北路818号 公司电话:0510-82325353