当前位置: 首页> 轴承型号查询> IKO CF10BUU轴承

IKO CF10BUU轴承参数/图纸/资料

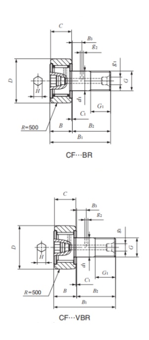
CF10BUUIKO轴承现货供应,库存丰富。滚轮轴承CF10BUU内径10mm,外径22mm,厚度12mm,属于原装进口IKO轴承凸轮从动轴承系列。欢迎来电咨询CF10BUU轴承基本参数,技术规格、相关型号等信息。同时我们提供轴承润滑脂,密封件,安装保养工具等售前售后服务!

CF10BUU轴承用途:矿山机械、带轮、输送机惰轮、太阳能、木工机械、磨机、带轮、挖掘机/ 回转机构传动装置、仪表仪器、起重机和升降机、曲柄轴、输送设备等领域。

CF10BUU轴承基本参数/技术规格

品牌
IKO
型号
CF10BUU
类型
滚轮轴承
系列
凸轮从动轴承
d
10mm
内径
D
22mm
外径
d
12mm
厚度
Cr
5.430KN
基本额定动载荷, 径向
Cor
6.890KN
基本额定静载荷,径向
Cur
-
疲劳极限载荷, 径向
nϑr
r/min
参考转速
nG
r/min
极限转速
≈m
0.045kg
重量
友情链接:
COPYRIGHT © 2021 INA-BEARING.CN
公司地址:无锡市无锡市崇安区兴源北路818号 公司电话:0510-82325353