当前位置: 首页> 轴承型号查询> IKO CF10FBUUR轴承

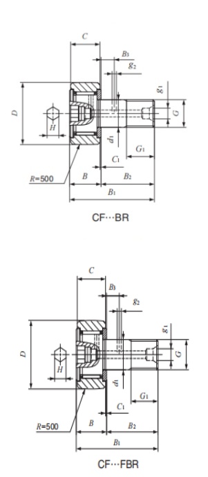
IKO CF10FBUUR轴承参数/图纸/资料

CF10FBUURIKO轴承现货供应,库存丰富。滚轮轴承CF10FBUUR内径22mm,外径12mm,厚度10mm,属于原装进口IKO轴承凸轮从动轴承系列。欢迎来电咨询CF10FBUUR轴承基本参数,技术规格、相关型号等信息。同时我们提供轴承润滑脂,密封件,安装保养工具等售前售后服务!

CF10FBUUR轴承用途:家用电器、针织、发电厂、砑光机、铁路货车、自动化设备、挖掘机/ 行走机构传动装置、船舶轴用轴承、大型电动机、辊式破碎机、 露天采矿、船舶轴用轴承等领域。

CF10FBUUR轴承基本参数/技术规格

品牌
IKO
型号
CF10FBUUR
类型
滚轮轴承
系列
凸轮从动轴承
d
22mm
内径
D
12mm
外径
d
10mm
厚度
Cr
4.340KN
基本额定动载荷, 径向
Cor
5.510KN
基本额定静载荷,径向
Cur
-
疲劳极限载荷, 径向
nϑr
r/min
参考转速
nG
r/min
极限转速
≈m
0.045kg
重量
友情链接:
COPYRIGHT © 2021 INA-BEARING.CN
公司地址:无锡市无锡市崇安区兴源北路818号 公司电话:0510-82325353