当前位置: 首页> 轴承型号查询> IKO CF10VB轴承

IKO CF10VB轴承参数/图纸/资料

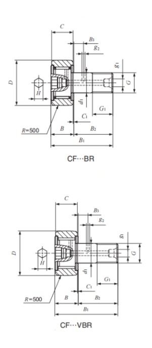
CF10VBIKO轴承现货供应,库存丰富。滚轮轴承CF10VB内径22mm,外径12mm,厚度10mm,属于原装进口IKO轴承凸轮从动轴承系列。欢迎来电咨询CF10VB轴承基本参数,技术规格、相关型号等信息。同时我们提供轴承润滑脂,密封件,安装保养工具等售前售后服务!

CF10VB轴承用途:牵引电动机、冶金设备、曳引机、艇用推进器系统、煤矿机械、磨床主轴、轿车轮毂轴承、工程机械、煤矿机械、车床主轴、输送设备、印刷机械等领域。

CF10VB轴承基本参数/技术规格

品牌
IKO
型号
CF10VB
类型
滚轮轴承
系列
凸轮从动轴承
d
22mm
内径
D
12mm
外径
d
10mm
厚度
Cr
9.570KN
基本额定动载荷, 径向
Cor
14.500KN
基本额定静载荷,径向
Cur
-
疲劳极限载荷, 径向
nϑr
r/min
参考转速
nG
r/min
极限转速
≈m
0.046kg
重量
友情链接:
COPYRIGHT © 2021 INA-BEARING.CN
公司地址:无锡市无锡市崇安区兴源北路818号 公司电话:0510-82325353