当前位置: 首页> 轴承型号查询> IKO CF12-1FB轴承

IKO CF12-1FB轴承参数/图纸/资料

CF12-1FBIKO轴承现货供应,库存丰富。滚轮轴承CF12-1FB内径32mm,外径14mm,厚度12mm,属于原装进口IKO轴承凸轮从动轴承系列。欢迎来电咨询CF12-1FB轴承基本参数,技术规格、相关型号等信息。同时我们提供轴承润滑脂,密封件,安装保养工具等售前售后服务!

CF12-1FB轴承用途:橡胶和塑料压延机、变速箱、曲柄轴、工业泵、钢丝绳提升滑轮、起重机和升降机、内燃机、立磨、输送机惰轮/ 通用、带轮、回转炉导轮、两轮车和三轮车等领域。

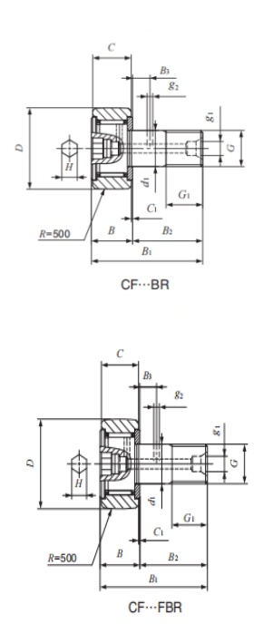
CF12-1FB轴承基本参数/技术规格

品牌
IKO
型号
CF12-1FB
类型
滚轮轴承
系列
凸轮从动轴承
d
32mm
内径
D
14mm
外径
d
12mm
厚度
Cr
6.330KN
基本额定动载荷, 径向
Cor
7.830KN
基本额定静载荷,径向
Cur
-
疲劳极限载荷, 径向
nϑr
r/min
参考转速
nG
r/min
极限转速
≈m
0.105kg
重量
友情链接:
COPYRIGHT © 2021 INA-BEARING.CN
公司地址:无锡市无锡市崇安区兴源北路818号 公司电话:0510-82325353