当前位置: 首页> 轴承型号查询> IKO CF12-1FBUU轴承

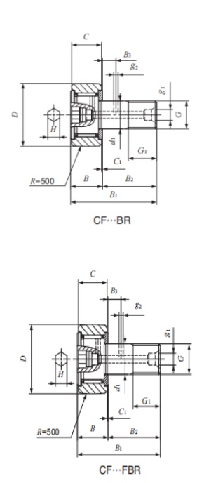
IKO CF12-1FBUU轴承参数/图纸/资料

CF12-1FBUUIKO轴承现货供应,库存丰富。滚轮轴承CF12-1FBUU内径32mm,外径14mm,厚度12mm,属于原装进口IKO轴承凸轮从动轴承系列。欢迎来电咨询CF12-1FBUU轴承基本参数,技术规格、相关型号等信息。同时我们提供轴承润滑脂,密封件,安装保养工具等售前售后服务!

CF12-1FBUU轴承用途:强力锤式磨机、滑轮、齿轮箱装置、电机(电动机)、电动工具和气动工具、橡塑机械、工业传动、铣床主轴、铁路、带轮、发电机、小型船用齿轮箱等领域。

CF12-1FBUU轴承基本参数/技术规格

品牌
IKO
型号
CF12-1FBUU
类型
滚轮轴承
系列
凸轮从动轴承
d
32mm
内径
D
14mm
外径
d
12mm
厚度
Cr
6.330KN
基本额定动载荷, 径向
Cor
7.830KN
基本额定静载荷,径向
Cur
-
疲劳极限载荷, 径向
nϑr
r/min
参考转速
nG
r/min
极限转速
≈m
0.105kg
重量
友情链接:
COPYRIGHT © 2021 INA-BEARING.CN
公司地址:无锡市无锡市崇安区兴源北路818号 公司电话:0510-82325353