当前位置: 首页> 轴承型号查询> IKO CF12BR轴承

IKO CF12BR轴承参数/图纸/资料

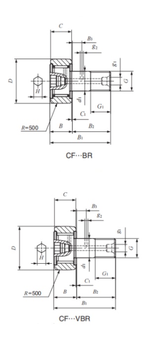
CF12BRIKO轴承现货供应,库存丰富。滚轮轴承CF12BR内径12mm,外径30mm,厚度14mm,属于原装进口IKO轴承凸轮从动轴承系列。欢迎来电咨询CF12BR轴承基本参数,技术规格、相关型号等信息。同时我们提供轴承润滑脂,密封件,安装保养工具等售前售后服务!

CF12BR轴承用途:泵和压缩机、炼钢厂设备、磨床主轴、转台、铣床主轴、振动夯实机、轿车变速箱、机床齿轮箱、钻床主轴、船用推力轴承单元、工业马达、振动磨机等领域。

CF12BR轴承基本参数/技术规格

品牌
IKO
型号
CF12BR
类型
滚轮轴承
系列
凸轮从动轴承
d
12mm
内径
D
30mm
外径
d
14mm
厚度
Cr
7.910KN
基本额定动载荷, 径向
Cor
9.790KN
基本额定静载荷,径向
Cur
-
疲劳极限载荷, 径向
nϑr
r/min
参考转速
nG
r/min
极限转速
≈m
0.095kg
重量
友情链接:
COPYRIGHT © 2021 INA-BEARING.CN
公司地址:无锡市无锡市崇安区兴源北路818号 公司电话:0510-82325353