当前位置: 首页> 轴承型号查询> IKO CF12VB轴承

IKO CF12VB轴承参数/图纸/资料

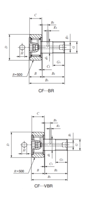
CF12VBIKO轴承现货供应,库存丰富。滚轮轴承CF12VB内径30mm,外径14mm,厚度12mm,属于原装进口IKO轴承凸轮从动轴承系列。欢迎来电咨询CF12VB轴承基本参数,技术规格、相关型号等信息。同时我们提供轴承润滑脂,密封件,安装保养工具等售前售后服务!

CF12VB轴承用途:办公设备、摩托车、锤式磨机、拖拉机、透平机械、回转炉导轮、铣床主轴、钢丝绳提升滑轮、挖掘机/ 行走机构传动装置、摩托车、振动筛、挖掘机/ 行走机构传动装置等领域。

CF12VB轴承基本参数/技术规格

品牌
IKO
型号
CF12VB
类型
滚轮轴承
系列
凸轮从动轴承
d
30mm
内径
D
14mm
外径
d
12mm
厚度
Cr
13.500KN
基本额定动载荷, 径向
Cor
19.700KN
基本额定静载荷,径向
Cur
-
疲劳极限载荷, 径向
nϑr
r/min
参考转速
nG
r/min
极限转速
≈m
0.097kg
重量
友情链接:
COPYRIGHT © 2021 INA-BEARING.CN
公司地址:无锡市无锡市崇安区兴源北路818号 公司电话:0510-82325353