当前位置: 首页> 轴承型号查询> IKO CF16BR轴承

IKO CF16BR轴承参数/图纸/资料

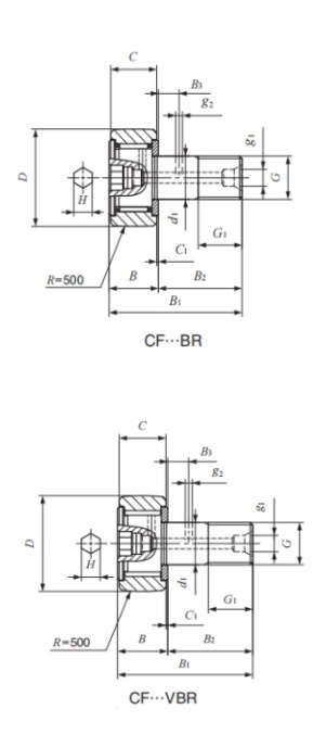
CF16BRIKO轴承现货供应,库存丰富。滚轮轴承CF16BR内径16mm,外径35mm,厚度18mm,属于原装进口IKO轴承凸轮从动轴承系列。欢迎来电咨询CF16BR轴承基本参数,技术规格、相关型号等信息。同时我们提供轴承润滑脂,密封件,安装保养工具等售前售后服务!

CF16BR轴承用途:光伏电站、包装机械、输送机惰轮/ 通用、工程机械、采矿与建筑机械、压缩机、挖掘机/ 行走机构传动装置、冶金设备、回转破碎机、水和废水、卡车、干部等领域。

CF16BR轴承基本参数/技术规格

品牌
IKO
型号
CF16BR
类型
滚轮轴承
系列
凸轮从动轴承
d
16mm
内径
D
35mm
外径
d
18mm
厚度
Cr
12KN
基本额定动载荷, 径向
Cor
18.3KN
基本额定静载荷,径向
Cur
-
疲劳极限载荷, 径向
nϑr
r/min
参考转速
nG
r/min
极限转速
≈m
0.170kg
重量
友情链接:
COPYRIGHT © 2021 INA-BEARING.CN
公司地址:无锡市无锡市崇安区兴源北路818号 公司电话:0510-82325353