当前位置: 首页> 轴承型号查询> IKO CF16FB轴承

IKO CF16FB轴承参数/图纸/资料

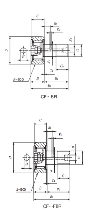
CF16FBIKO轴承现货供应,库存丰富。滚轮轴承CF16FB内径35mm,外径18mm,厚度16mm,属于原装进口IKO轴承凸轮从动轴承系列。欢迎来电咨询CF16FB轴承基本参数,技术规格、相关型号等信息。同时我们提供轴承润滑脂,密封件,安装保养工具等售前售后服务!

CF16FB轴承用途:液压轴向和径向柱塞泵、汽车行业、轿车轮毂轴承、压砖机、冲击式破碎机、振动磨机、回转炉导轮、废弃及循环再利用、透平机械、橡胶和塑料压延机、工业传动、洗涤机械等领域。

CF16FB轴承基本参数/技术规格

品牌
IKO
型号
CF16FB
类型
滚轮轴承
系列
凸轮从动轴承
d
35mm
内径
D
18mm
外径
d
16mm
厚度
Cr
9.620KN
基本额定动载荷, 径向
Cor
14.700KN
基本额定静载荷,径向
Cur
-
疲劳极限载荷, 径向
nϑr
r/min
参考转速
nG
r/min
极限转速
≈m
0.170kg
重量
友情链接:
COPYRIGHT © 2021 INA-BEARING.CN
公司地址:无锡市无锡市崇安区兴源北路818号 公司电话:0510-82325353