当前位置: 首页> 轴承型号查询> IKO CF16FBUUR轴承

IKO CF16FBUUR轴承参数/图纸/资料

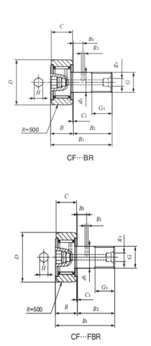
CF16FBUURIKO轴承现货供应,库存丰富。滚轮轴承CF16FBUUR内径35mm,外径18mm,厚度16mm,属于原装进口IKO轴承凸轮从动轴承系列。欢迎来电咨询CF16FBUUR轴承基本参数,技术规格、相关型号等信息。同时我们提供轴承润滑脂,密封件,安装保养工具等售前售后服务!

CF16FBUUR轴承用途:曳引机、拖车和公共汽车、工业马达、能源工业、轿车驱动系统、大型船用齿轮箱、海洋能源、铣床主轴、橡胶和塑料压延机、铁路货车、透平机械、卷扬机等领域。

CF16FBUUR轴承基本参数/技术规格

品牌
IKO
型号
CF16FBUUR
类型
滚轮轴承
系列
凸轮从动轴承
d
35mm
内径
D
18mm
外径
d
16mm
厚度
Cr
9.620KN
基本额定动载荷, 径向
Cor
14.700KN
基本额定静载荷,径向
Cur
-
疲劳极限载荷, 径向
nϑr
r/min
参考转速
nG
r/min
极限转速
≈m
0.170kg
重量
友情链接:
COPYRIGHT © 2021 INA-BEARING.CN
公司地址:无锡市无锡市崇安区兴源北路818号 公司电话:0510-82325353