当前位置: 首页> 轴承型号查询> IKO CF16VBR轴承

IKO CF16VBR轴承参数/图纸/资料

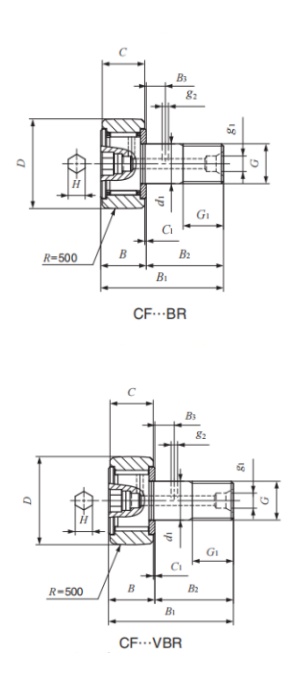
CF16VBRIKO轴承现货供应,库存丰富。滚轮轴承CF16VBR内径35mm,外径18mm,厚度16mm,属于原装进口IKO轴承凸轮从动轴承系列。欢迎来电咨询CF16VBR轴承基本参数,技术规格、相关型号等信息。同时我们提供轴承润滑脂,密封件,安装保养工具等售前售后服务!

CF16VBR轴承用途:圆锯、废弃及循环再利用、离心机、输送机惰轮/ 通用、电梯扶梯、风力发电、废弃及循环再利用、内燃机、螺杆挤出机、塑料加工、挖掘机/ 行走机构传动装置、机器人等领域。

CF16VBR轴承基本参数/技术规格

品牌
IKO
型号
CF16VBR
类型
滚轮轴承
系列
凸轮从动轴承
d
35mm
内径
D
18mm
外径
d
16mm
厚度
Cr
20.700KN
基本额定动载荷, 径向
Cor
37.600KN
基本额定静载荷,径向
Cur
-
疲劳极限载荷, 径向
nϑr
r/min
参考转速
nG
r/min
极限转速
≈m
0.173kg
重量
友情链接:
COPYRIGHT © 2021 INA-BEARING.CN
公司地址:无锡市无锡市崇安区兴源北路818号 公司电话:0510-82325353