当前位置: 首页> 轴承型号查询> IKO CF18BR轴承

IKO CF18BR轴承参数/图纸/资料

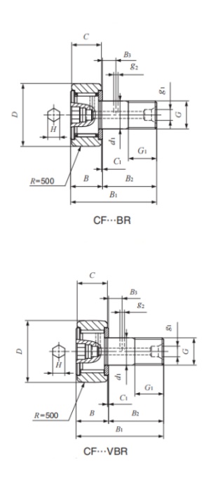
CF18BRIKO轴承现货供应,库存丰富。滚轮轴承CF18BR内径18mm,外径40mm,厚度20mm,属于原装进口IKO轴承凸轮从动轴承系列。欢迎来电咨询CF18BR轴承基本参数,技术规格、相关型号等信息。同时我们提供轴承润滑脂,密封件,安装保养工具等售前售后服务!

CF18BR轴承用途:离心机、造纸机械、工程机械、路面机械、螺杆挤出机、冲击式破碎机、拖车和公共汽车、塑料加工、曳引机、收割机、铁路车辆用齿轮箱、挖掘机/ 行走机构传动装置等领域。

CF18BR轴承基本参数/技术规格

品牌
IKO
型号
CF18BR
类型
滚轮轴承
系列
凸轮从动轴承
d
18mm
内径
D
40mm
外径
d
20mm
厚度
Cr
14.8KN
基本额定动载荷, 径向
Cor
25.2KN
基本额定静载荷,径向
Cur
-
疲劳极限载荷, 径向
nϑr
r/min
参考转速
nG
r/min
极限转速
≈m
0.250kg
重量
友情链接:
COPYRIGHT © 2021 INA-BEARING.CN
公司地址:无锡市无锡市崇安区兴源北路818号 公司电话:0510-82325353