当前位置: 首页> 轴承型号查询> IKO CF18FB轴承

IKO CF18FB轴承参数/图纸/资料

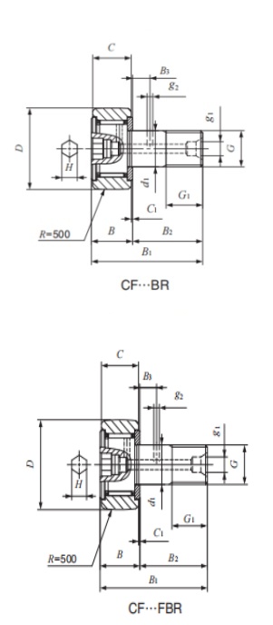
CF18FBIKO轴承现货供应,库存丰富。滚轮轴承CF18FB内径40mm,外径20mm,厚度18mm,属于原装进口IKO轴承凸轮从动轴承系列。欢迎来电咨询CF18FB轴承基本参数,技术规格、相关型号等信息。同时我们提供轴承润滑脂,密封件,安装保养工具等售前售后服务!

CF18FB轴承用途:重型商用车、医疗设备、采矿与建筑机械、斗轮挖掘机/ 斗轮驱动、离心泵、轻型商用车、压缩机、风力发电、测试台与设备、太阳能、磨机、液压轴向和径向柱塞泵等领域。

CF18FB轴承基本参数/技术规格

品牌
IKO
型号
CF18FB
类型
滚轮轴承
系列
凸轮从动轴承
d
40mm
内径
D
20mm
外径
d
18mm
厚度
Cr
11.800KN
基本额定动载荷, 径向
Cor
20.200KN
基本额定静载荷,径向
Cur
-
疲劳极限载荷, 径向
nϑr
r/min
参考转速
nG
r/min
极限转速
≈m
0.250kg
重量
友情链接:
COPYRIGHT © 2021 INA-BEARING.CN
公司地址:无锡市无锡市崇安区兴源北路818号 公司电话:0510-82325353