当前位置: 首页> 轴承型号查询> IKO CF18VB轴承

IKO CF18VB轴承参数/图纸/资料

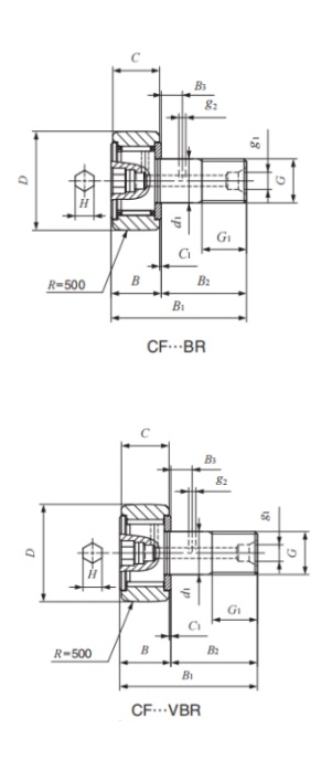
CF18VBIKO轴承现货供应,库存丰富。滚轮轴承CF18VB内径40mm,外径20mm,厚度18mm,属于原装进口IKO轴承凸轮从动轴承系列。欢迎来电咨询CF18VB轴承基本参数,技术规格、相关型号等信息。同时我们提供轴承润滑脂,密封件,安装保养工具等售前售后服务!

CF18VB轴承用途:铁路车辆用齿轮箱、船舶工业、印刷机、斗轮挖掘机/ 斗轮驱动、柱塞泵、磨机、医疗设备、水和废水、螺杆挤出机、精炼机、海洋能源、橡塑机械等领域。

CF18VB轴承基本参数/技术规格

品牌
IKO
型号
CF18VB
类型
滚轮轴承
系列
凸轮从动轴承
d
40mm
内径
D
20mm
外径
d
18mm
厚度
Cr
25.300KN
基本额定动载荷, 径向
Cor
51.300KN
基本额定静载荷,径向
Cur
-
疲劳极限载荷, 径向
nϑr
r/min
参考转速
nG
r/min
极限转速
≈m
0.255kg
重量
友情链接:
COPYRIGHT © 2021 INA-BEARING.CN
公司地址:无锡市无锡市崇安区兴源北路818号 公司电话:0510-82325353