当前位置: 首页> 轴承型号查询> IKO CF18VBR轴承

IKO CF18VBR轴承参数/图纸/资料

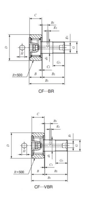
CF18VBRIKO轴承现货供应,库存丰富。滚轮轴承CF18VBR内径40mm,外径20mm,厚度18mm,属于原装进口IKO轴承凸轮从动轴承系列。欢迎来电咨询CF18VBR轴承基本参数,技术规格、相关型号等信息。同时我们提供轴承润滑脂,密封件,安装保养工具等售前售后服务!

CF18VBR轴承用途:精炼机、翻斗货车、液压轴向和径向柱塞泵、轧机齿轮箱、艇用推进器系统、货车轮对轴承、输送设备、泵和压缩机、砑光机、磨床主轴、振动夯实机、橡胶和塑料压延机等领域。

CF18VBR轴承基本参数/技术规格

品牌
IKO
型号
CF18VBR
类型
滚轮轴承
系列
凸轮从动轴承
d
40mm
内径
D
20mm
外径
d
18mm
厚度
Cr
25.300KN
基本额定动载荷, 径向
Cor
51.300KN
基本额定静载荷,径向
Cur
-
疲劳极限载荷, 径向
nϑr
r/min
参考转速
nG
r/min
极限转速
≈m
0.255kg
重量
友情链接:
COPYRIGHT © 2021 INA-BEARING.CN
公司地址:无锡市无锡市崇安区兴源北路818号 公司电话:0510-82325353