
- 品牌
- IKO
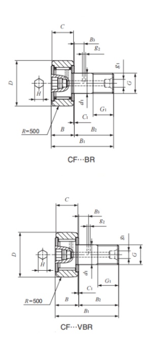
- 型号
- CF20-1BR
- 类型
- 滚轮轴承
- 系列
- d
- 20mm
- 内径
- D
- 47mm
- 外径
- d
- 24mm
- 厚度
- Cr
- 20700KN
- 基本额定动载荷, 径向
- Cor
- 34600KN
- 基本额定静载荷,径向
- Cur
- -
- 疲劳极限载荷, 径向
- nϑr
- r/min
- 参考转速
- nG
- r/min
- 极限转速
- ≈m
- 385kg
- 重量
CF20-1BRIKO轴承现货供应,库存丰富。滚轮轴承CF20-1BR内径20mm,外径47mm,厚度24mm,属于原装进口IKO轴承系列。欢迎来电咨询CF20-1BR轴承基本参数,技术规格、相关型号等信息。同时我们提供轴承润滑脂,密封件,安装保养工具等售前售后服务!
CF20-1BR轴承用途:物料运输、木工机械、输送设备、食品加工机械、电力机车、输送机惰轮、振动磨机、齿轮箱装置、物料输送、内燃机、冲击式破碎机、斗轮挖掘机/ 斗轮驱动等领域。