当前位置: 首页> 轴承型号查询> IKO CF20FBR轴承

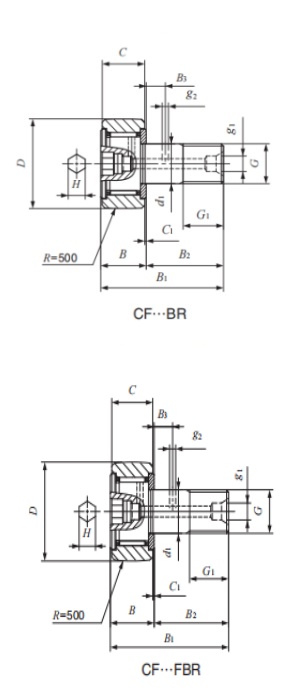
IKO CF20FBR轴承参数/图纸/资料

CF20FBRIKO轴承现货供应,库存丰富。滚轮轴承CF20FBR内径52mm,外径24mm,厚度20mm,属于原装进口IKO轴承凸轮从动轴承系列。欢迎来电咨询CF20FBR轴承基本参数,技术规格、相关型号等信息。同时我们提供轴承润滑脂,密封件,安装保养工具等售前售后服务!

CF20FBR轴承用途:针织、振动夯实机、化纤机械、轿车轮毂轴承、石油和天然气、采矿与建筑机械、石油化工机械、输送设备、变速箱、离心机、轧机、铁路货车等领域。

CF20FBR轴承基本参数/技术规格

品牌
IKO
型号
CF20FBR
类型
滚轮轴承
系列
凸轮从动轴承
d
52mm
内径
D
24mm
外径
d
20mm
厚度
Cr
16.5KN
基本额定动载荷, 径向
Cor
27.7KN
基本额定静载荷,径向
Cur
-
疲劳极限载荷, 径向
nϑr
r/min
参考转速
nG
r/min
极限转速
≈m
0.460kg
重量
友情链接:
COPYRIGHT © 2021 INA-BEARING.CN
公司地址:无锡市无锡市崇安区兴源北路818号 公司电话:0510-82325353