当前位置: 首页> 轴承型号查询> IKO CF24BUUR轴承

IKO CF24BUUR轴承参数/图纸/资料

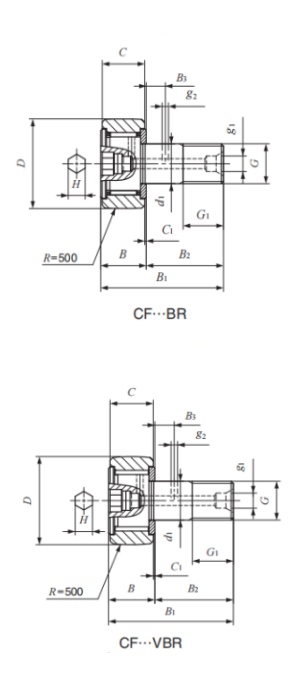
CF24BUURIKO轴承现货供应,库存丰富。滚轮轴承CF24BUUR内径24mm,外径62mm,厚度29mm,属于原装进口IKO轴承凸轮从动轴承系列。欢迎来电咨询CF24BUUR轴承基本参数,技术规格、相关型号等信息。同时我们提供轴承润滑脂,密封件,安装保养工具等售前售后服务!

CF24BUUR轴承用途:摩托车、柱塞泵、牵引机车/ 外侧轴承/ 内侧轴承、橡胶和塑料压延机、筛机、物料运输、铁路车辆用齿轮箱、船舶工业、食品和饮料、牵引电动机、收割机、风机及鼓风机等领域。

CF24BUUR轴承基本参数/技术规格

品牌
IKO
型号
CF24BUUR
类型
滚轮轴承
系列
凸轮从动轴承
d
24mm
内径
D
62mm
外径
d
29mm
厚度
Cr
30.5KN
基本额定动载荷, 径向
Cor
52.6KN
基本额定静载荷,径向
Cur
-
疲劳极限载荷, 径向
nϑr
r/min
参考转速
nG
r/min
极限转速
≈m
0.815kg
重量
友情链接:
COPYRIGHT © 2021 INA-BEARING.CN
公司地址:无锡市无锡市崇安区兴源北路818号 公司电话:0510-82325353