当前位置: 首页> 轴承型号查询> IKO CF30-2BR轴承

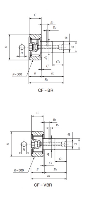
IKO CF30-2BR轴承参数/图纸/资料

CF30-2BRIKO轴承现货供应,库存丰富。滚轮轴承CF30-2BR内径30mm,外径90mm,厚度35mm,属于原装进口IKO轴承凸轮从动轴承系列。欢迎来电咨询CF30-2BR轴承基本参数,技术规格、相关型号等信息。同时我们提供轴承润滑脂,密封件,安装保养工具等售前售后服务!

CF30-2BR轴承用途:大型电动机、农业机械、磨床床头箱主轴、传动单元、标准电动机、炼钢厂设备、海洋能源、印刷机械、小型船用齿轮箱、轧机齿轮箱、家用电器、塑料加工等领域。

CF30-2BR轴承基本参数/技术规格

品牌
IKO
型号
CF30-2BR
类型
滚轮轴承
系列
凸轮从动轴承
d
30mm
内径
D
90mm
外径
d
35mm
厚度
Cr
45.4KN
基本额定动载荷, 径向
Cor
85.1KN
基本额定静载荷,径向
Cur
-
疲劳极限载荷, 径向
nϑr
r/min
参考转速
nG
r/min
极限转速
≈m
2.220kg
重量
友情链接:
COPYRIGHT © 2021 INA-BEARING.CN
公司地址:无锡市无锡市崇安区兴源北路818号 公司电话:0510-82325353