当前位置: 首页> 轴承型号查询> IKO CF30VB轴承

IKO CF30VB轴承参数/图纸/资料

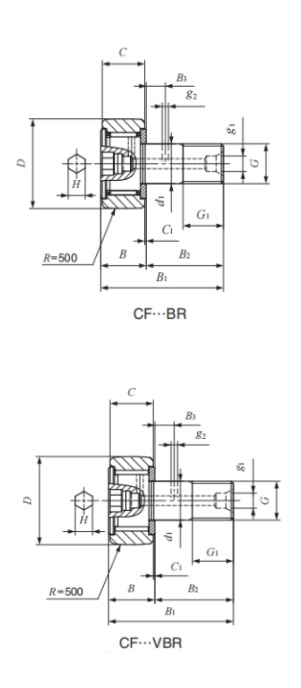
CF30VBIKO轴承现货供应,库存丰富。滚轮轴承CF30VB内径80mm,外径35mm,厚度30mm,属于原装进口IKO轴承凸轮从动轴承系列。欢迎来电咨询CF30VB轴承基本参数,技术规格、相关型号等信息。同时我们提供轴承润滑脂,密封件,安装保养工具等售前售后服务!

CF30VB轴承用途:造纸机,湿部、冲床/飞轮、食品加工机械、造纸机,湿部、造纸机械、电梯扶梯、风机及鼓风机、电动工具和气动工具、轿车驱动系统、汽车行业、轻型商用车、物料运输等领域。

CF30VB轴承基本参数/技术规格

品牌
IKO
型号
CF30VB
类型
滚轮轴承
系列
凸轮从动轴承
d
80mm
内径
D
35mm
外径
d
30mm
厚度
Cr
67.7KN
基本额定动载荷, 径向
Cor
144KN
基本额定静载荷,径向
Cur
-
疲劳极限载荷, 径向
nϑr
r/min
参考转速
nG
r/min
极限转速
≈m
1.870kg
重量
友情链接:
COPYRIGHT © 2021 INA-BEARING.CN
公司地址:无锡市无锡市崇安区兴源北路818号 公司电话:0510-82325353