当前位置: 首页> 轴承型号查询> IKO CF3FBUUR轴承

IKO CF3FBUUR轴承参数/图纸/资料

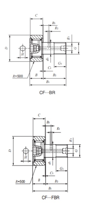
CF3FBUURIKO轴承现货供应,库存丰富。滚轮轴承CF3FBUUR内径10mm,外径7mm,厚度3mm,属于原装进口IKO轴承凸轮从动轴承系列。欢迎来电咨询CF3FBUUR轴承基本参数,技术规格、相关型号等信息。同时我们提供轴承润滑脂,密封件,安装保养工具等售前售后服务!

CF3FBUUR轴承用途:家用电器、标准电动机、橡胶和塑料压延机、离心机、针织、液压轴向和径向柱塞泵、离心机、风机及鼓风机、输送设备、铁路、风机及鼓风机、冲床/飞轮等领域。

CF3FBUUR轴承基本参数/技术规格

品牌
IKO
型号
CF3FBUUR
类型
滚轮轴承
系列
凸轮从动轴承
d
10mm
内径
D
7mm
外径
d
3mm
厚度
Cr
1.200KN
基本额定动载荷, 径向
Cor
0.813KN
基本额定静载荷,径向
Cur
-
疲劳极限载荷, 径向
nϑr
r/min
参考转速
nG
r/min
极限转速
≈m
0.0043kg
重量
友情链接:
COPYRIGHT © 2021 INA-BEARING.CN
公司地址:无锡市无锡市崇安区兴源北路818号 公司电话:0510-82325353