当前位置: 首页> 轴承型号查询> IKO CF4BUU轴承

IKO CF4BUU轴承参数/图纸/资料

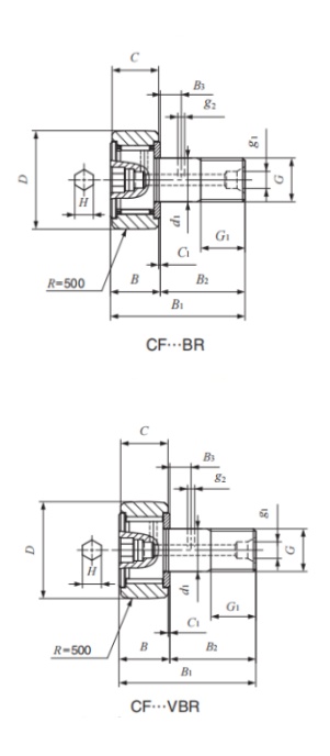
CF4BUUIKO轴承现货供应,库存丰富。滚轮轴承CF4BUU内径4mm,外径12mm,厚度8mm,属于原装进口IKO轴承凸轮从动轴承系列。欢迎来电咨询CF4BUU轴承基本参数,技术规格、相关型号等信息。同时我们提供轴承润滑脂,密封件,安装保养工具等售前售后服务!

CF4BUU轴承用途:造纸机,湿部、航空航天、金属制品、铁路车辆、印刷机械、电动机、陶瓷球、印刷机械、发电厂、采矿与建筑机械、洗涤机械、发电机等领域。

CF4BUU轴承基本参数/技术规格

品牌
IKO
型号
CF4BUU
类型
滚轮轴承
系列
凸轮从动轴承
d
4mm
内径
D
12mm
外径
d
8mm
厚度
Cr
2.07KN
基本额定动载荷, 径向
Cor
1.59KN
基本额定静载荷,径向
Cur
-
疲劳极限载荷, 径向
nϑr
r/min
参考转速
nG
r/min
极限转速
≈m
0.0074kg
重量
友情链接:
COPYRIGHT © 2021 INA-BEARING.CN
公司地址:无锡市无锡市崇安区兴源北路818号 公司电话:0510-82325353