当前位置: 首页> 轴承型号查询> IKO CF4FB轴承

IKO CF4FB轴承参数/图纸/资料

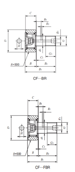
CF4FBIKO轴承现货供应,库存丰富。滚轮轴承CF4FB内径12mm,外径8mm,厚度4mm,属于原装进口IKO轴承凸轮从动轴承系列。欢迎来电咨询CF4FB轴承基本参数,技术规格、相关型号等信息。同时我们提供轴承润滑脂,密封件,安装保养工具等售前售后服务!

CF4FB轴承用途:牵引机车/ 外侧轴承/ 内侧轴承、船舶轴用轴承、火力发电、电动工具和气动工具、风力发电机、拖拉机、船用推力轴承单元、齿轮箱装置、织布机、电动机、陶瓷球、自动化设备等领域。

CF4FB轴承基本参数/技术规格

品牌
IKO
型号
CF4FB
类型
滚轮轴承
系列
凸轮从动轴承
d
12mm
内径
D
8mm
外径
d
4mm
厚度
Cr
1.650KN
基本额定动载荷, 径向
Cor
1.270KN
基本额定静载荷,径向
Cur
-
疲劳极限载荷, 径向
nϑr
r/min
参考转速
nG
r/min
极限转速
≈m
0.0074kg
重量
友情链接:
COPYRIGHT © 2021 INA-BEARING.CN
公司地址:无锡市无锡市崇安区兴源北路818号 公司电话:0510-82325353