当前位置: 首页> 轴承型号查询> IKO CF5FBR轴承

IKO CF5FBR轴承参数/图纸/资料

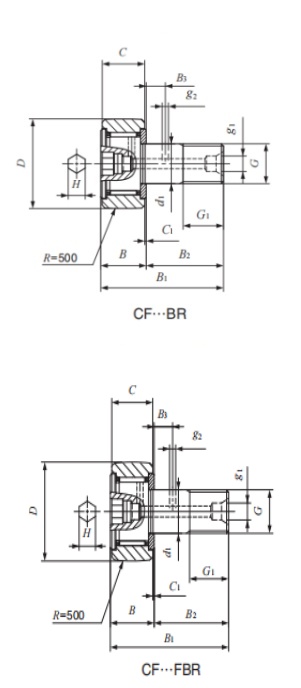
CF5FBRIKO轴承现货供应,库存丰富。滚轮轴承CF5FBR内径13mm,外径9mm,厚度5mm,属于原装进口IKO轴承系列。欢迎来电咨询CF5FBR轴承基本参数,技术规格、相关型号等信息。同时我们提供轴承润滑脂,密封件,安装保养工具等售前售后服务!

CF5FBR轴承用途:造纸机械、机床、挖掘机/ 行走机构传动装置、造纸机,湿部、仪表仪器、风力发电机、轧机齿轮箱、压缩机、木工机械、挖掘机/ 行走机构传动装置、破碎机、洗涤机械等领域。

CF5FBR轴承基本参数/技术规格

品牌
IKO
型号
CF5FBR
类型
滚轮轴承
系列
d
13mm
内径
D
9mm
外径
d
5mm
厚度
Cr
1930KN
基本额定动载荷, 径向
Cor
1730KN
基本额定静载荷,径向
Cur
-
疲劳极限载荷, 径向
nϑr
r/min
参考转速
nG
r/min
极限转速
≈m
10.3kg
重量
友情链接:
COPYRIGHT © 2021 INA-BEARING.CN
公司地址:无锡市无锡市崇安区兴源北路818号 公司电话:0510-82325353