当前位置: 首页> 轴承型号查询> IKO CF5FBUUR轴承

IKO CF5FBUUR轴承参数/图纸/资料

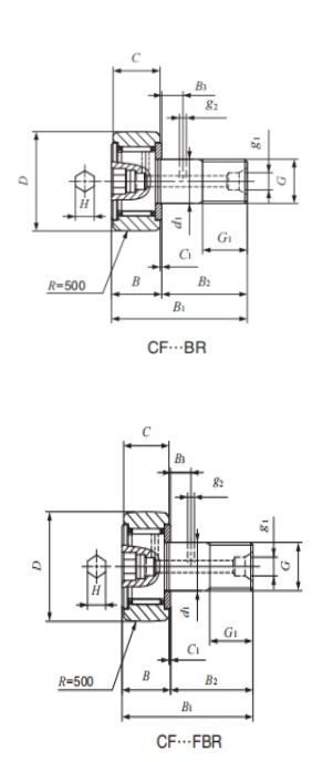
CF5FBUURIKO轴承现货供应,库存丰富。滚轮轴承CF5FBUUR内径13mm,外径9mm,厚度5mm,属于原装进口IKO轴承凸轮从动轴承系列。欢迎来电咨询CF5FBUUR轴承基本参数,技术规格、相关型号等信息。同时我们提供轴承润滑脂,密封件,安装保养工具等售前售后服务!

CF5FBUUR轴承用途:钢丝绳提升滑轮、火力发电、货车轮对轴承、路面机械、铁路车辆用齿轮箱、物料运输、风力发电、输送设备、机床、振动磨机、辊式破碎机、制浆和造纸等领域。

CF5FBUUR轴承基本参数/技术规格

品牌
IKO
型号
CF5FBUUR
类型
滚轮轴承
系列
凸轮从动轴承
d
13mm
内径
D
9mm
外径
d
5mm
厚度
Cr
1.930KN
基本额定动载荷, 径向
Cor
1.730KN
基本额定静载荷,径向
Cur
-
疲劳极限载荷, 径向
nϑr
r/min
参考转速
nG
r/min
极限转速
≈m
0.0103kg
重量
友情链接:
COPYRIGHT © 2021 INA-BEARING.CN
公司地址:无锡市无锡市崇安区兴源北路818号 公司电话:0510-82325353