当前位置: 首页> 轴承型号查询> IKO CF6BR轴承

IKO CF6BR轴承参数/图纸/资料

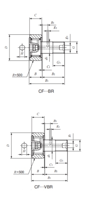
CF6BRIKO轴承现货供应,库存丰富。滚轮轴承CF6BR内径6mm,外径16mm,厚度11mm,属于原装进口IKO轴承凸轮从动轴承系列。欢迎来电咨询CF6BR轴承基本参数,技术规格、相关型号等信息。同时我们提供轴承润滑脂,密封件,安装保养工具等售前售后服务!

CF6BR轴承用途:轿车轮毂轴承、泵、螺杆挤出机、木工机械、发电厂、火力发电、食品和饮料、机床、液压轴向和径向柱塞泵、金属制品、金属制品、通用齿轮箱等领域。

CF6BR轴承基本参数/技术规格

品牌
IKO
型号
CF6BR
类型
滚轮轴承
系列
凸轮从动轴承
d
6mm
内径
D
16mm
外径
d
11mm
厚度
Cr
3.660KN
基本额定动载荷, 径向
Cor
3.650KN
基本额定静载荷,径向
Cur
-
疲劳极限载荷, 径向
nϑr
r/min
参考转速
nG
r/min
极限转速
≈m
0.0185kg
重量
友情链接:
COPYRIGHT © 2021 INA-BEARING.CN
公司地址:无锡市无锡市崇安区兴源北路818号 公司电话:0510-82325353