当前位置: 首页> 轴承型号查询> IKO CF6VB轴承

IKO CF6VB轴承参数/图纸/资料

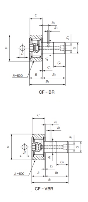
CF6VBIKO轴承现货供应,库存丰富。滚轮轴承CF6VB内径16mm,外径11mm,厚度6mm,属于原装进口IKO轴承凸轮从动轴承系列。欢迎来电咨询CF6VB轴承基本参数,技术规格、相关型号等信息。同时我们提供轴承润滑脂,密封件,安装保养工具等售前售后服务!

CF6VB轴承用途:精纺机/ 锭子、洗涤机械、离心泵、机床、振动筛、挖掘机/ 行走机构传动装置、路面机械、轿车变速箱、齿轮泵、齿轮泵、液压轴向和径向柱塞泵、通用齿轮箱等领域。

CF6VB轴承基本参数/技术规格

品牌
IKO
型号
CF6VB
类型
滚轮轴承
系列
凸轮从动轴承
d
16mm
内径
D
11mm
外径
d
6mm
厚度
Cr
6.980KN
基本额定动载荷, 径向
Cor
8.500KN
基本额定静载荷,径向
Cur
-
疲劳极限载荷, 径向
nϑr
r/min
参考转速
nG
r/min
极限转速
≈m
0.019kg
重量
友情链接:
COPYRIGHT © 2021 INA-BEARING.CN
公司地址:无锡市无锡市崇安区兴源北路818号 公司电话:0510-82325353