当前位置: 首页> 轴承型号查询> SKF UCPA204轴承

SKF UCPA204轴承参数/图纸/资料

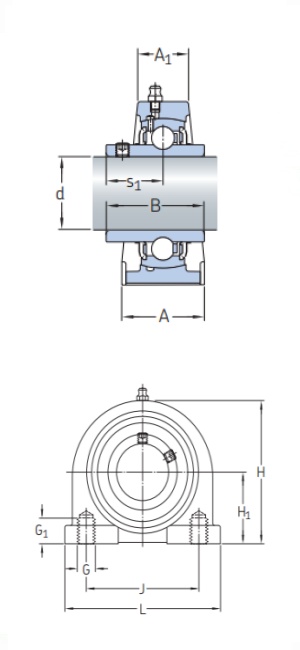
UCPA204SKF轴承现货供应,库存丰富。带座外球面球轴承UCPA204内径20mm,外径76.2mm,厚度60mm,属于原装进口SKF轴承UCPA200系列。欢迎来电咨询UCPA204轴承基本参数,技术规格、相关型号等信息。同时我们提供轴承润滑脂,密封件,安装保养工具等售前售后服务!

UCPA204轴承用途:纺织机械、斗轮挖掘机/ 斗轮驱动、破碎机、破碎机、螺杆挤出机、振动夯实机、轿车驱动系统、织布机、艇用推进器系统、铁路客车、重型商用车、航空航天等领域。

UCPA204轴承基本参数/技术规格

品牌
SKF
型号
UCPA204
类型
带座外球面球轴承
系列
UCPA200
d
20mm
内径
D
76.2mm
外径
d
60mm
厚度
Cr
12.7KN
基本额定动载荷, 径向
Cor
6.7KN
基本额定静载荷,径向
Cur
-
疲劳极限载荷, 径向
nϑr
6 500r/min
参考转速
nG
r/min
极限转速
≈m
0.54kg
重量
友情链接:
COPYRIGHT © 2021 INA-BEARING.CN
公司地址:无锡市无锡市崇安区兴源北路818号 公司电话:0510-82325353