当前位置: 首页> 轴承型号查询> SKF UCPA205轴承

SKF UCPA205轴承参数/图纸/资料

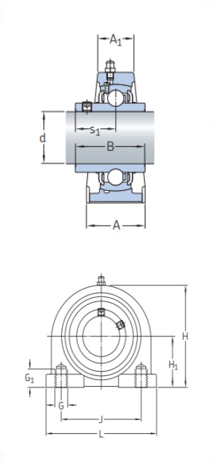
UCPA205SKF轴承现货供应,库存丰富。带座外球面球轴承UCPA205内径25mm,外径84.1mm,厚度71mm,属于原装进口SKF轴承UCPA200系列。欢迎来电咨询UCPA205轴承基本参数,技术规格、相关型号等信息。同时我们提供轴承润滑脂,密封件,安装保养工具等售前售后服务!

UCPA205轴承用途:起重机滑轮、废弃及循环再利用、拖车和公共汽车、大型风机、自行式机械、轻型商用车、离心铸机、冶金设备、卡车、钢丝绳提升滑轮、磨机、车床主轴等领域。

UCPA205轴承基本参数/技术规格

品牌
SKF
型号
UCPA205
类型
带座外球面球轴承
系列
UCPA200
d
25mm
内径
D
84.1mm
外径
d
71mm
厚度
Cr
14.0KN
基本额定动载荷, 径向
Cor
7.8KN
基本额定静载荷,径向
Cur
-
疲劳极限载荷, 径向
nϑr
5850r/min
参考转速
nG
r/min
极限转速
≈m
0.76kg
重量
友情链接:
COPYRIGHT © 2021 INA-BEARING.CN
公司地址:无锡市无锡市崇安区兴源北路818号 公司电话:0510-82325353