当前位置: 首页> 轴承型号查询> SKF UCPA209轴承

SKF UCPA209轴承参数/图纸/资料

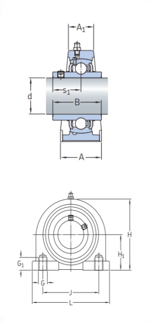
UCPA209SKF轴承现货供应,库存丰富。带座外球面球轴承UCPA209内径45mm,外径119.8mm,厚度106mm,属于原装进口SKF轴承UCPA200系列。欢迎来电咨询UCPA209轴承基本参数,技术规格、相关型号等信息。同时我们提供轴承润滑脂,密封件,安装保养工具等售前售后服务!

UCPA209轴承用途:采矿与建筑机械、轧机、铁路车辆、齿轮马达、铣床主轴、铁路货车、石油和天然气、机床、输送设备、锤式磨机、水泥厂、齿轮泵等领域。

UCPA209轴承基本参数/技术规格

品牌
SKF
型号
UCPA209
类型
带座外球面球轴承
系列
UCPA200
d
45mm
内径
D
119.8mm
外径
d
106mm
厚度
Cr
32.5KN
基本额定动载荷, 径向
Cor
20.4KN
基本额定静载荷,径向
Cur
-
疲劳极限载荷, 径向
nϑr
3400r/min
参考转速
nG
r/min
极限转速
≈m
1.86kg
重量
友情链接:
COPYRIGHT © 2021 INA-BEARING.CN
公司地址:无锡市无锡市崇安区兴源北路818号 公司电话:0510-82325353